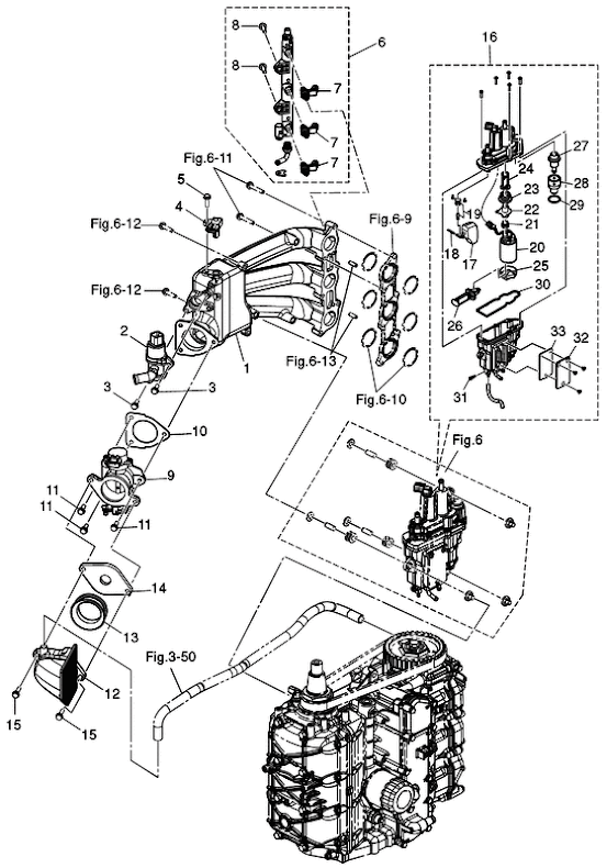
Reservdelar Bränsle förgasare & pumpar Tohatsu Regulator bränsle Tohatsu Lägg till en bevakning så meddelar vi dig så snart varan är i lager igen. Produkten är nu bevakad Vi meddelar dig så snart varan är i lager igen. E-postadress Lägg till bevakning Dina personuppgifter behandlas i enlighet med vår integritetspolicy. Regulator bränsle Tohatsu Regulator bränsletryck i vapor Tohatsu MFS 40 A - MFS 60 A, 4-takt Nr 27 i bild Fri frakt över 2000kr 30 dagars öppet köp Snabba leveranser Reservdelar Motortillbehör Oljor Kampanjer Sprängskisser Motorinformation