Plugg förgasare Suzuki
Lägg till en bevakning så meddelar vi dig så snart varan är i lager igen.
Plugg förgasare Suzuki
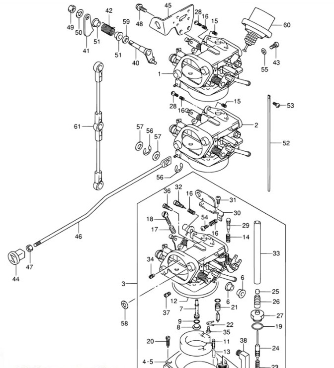
Plugg stigarrör förgasare Suzuki DF 25 - DF 30 hk, 2000-2007
Se sprängskiss för rätt del, nr 8 i bild
En plugg per förgasare åtgår, o-ring art 13246-43011 beställs separat.
Fri frakt över 2000kr
30 dagars öppet köp
Snabba leveranser
