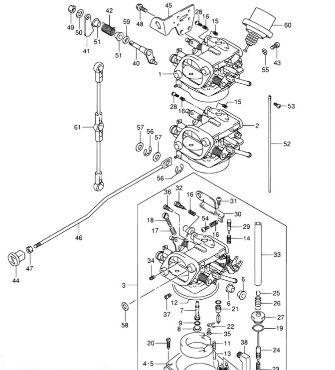
Reservdelar Bränsle förgasare & pumpar Suzuki O-ring stigarrör Suzuki Lägg till en bevakning så meddelar vi dig så snart varan är i lager igen. Produkten är nu bevakad Vi meddelar dig så snart varan är i lager igen. E-postadress Lägg till bevakning Dina personuppgifter behandlas i enlighet med vår integritetspolicy. O-ring stigarrör Suzuki O-ring plugg stigarrör förgasare Suzuki DF 25 - DF 30 hk, 2000-2007 Se sprängskiss för rätt del, nr 9 i bild 2 Fri frakt över 2000kr 30 dagars öppet köp Snabba leveranser Reservdelar Motortillbehör Oljor Kampanjer Sprängskisser Motorinformation