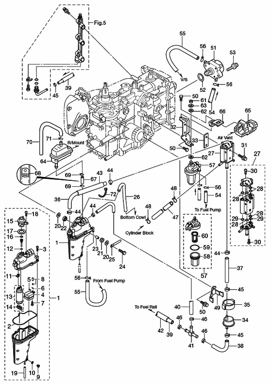
Reservdelar Bränsle förgasare & pumpar Tohatsu Nippel Tohatsu Lägg till en bevakning så meddelar vi dig så snart varan är i lager igen. Produkten är nu bevakad Vi meddelar dig så snart varan är i lager igen. E-postadress Lägg till bevakning Dina personuppgifter behandlas i enlighet med vår integritetspolicy. Nippel Tohatsu T-nippel bränsle Tohatsu MFS 25 B+C - MFS 30 B+C, 526 cc 4-takt Nr 41 i bild Samma som Mercury art 898101211 Fri frakt över 2000kr 30 dagars öppet köp Snabba leveranser Reservdelar Motortillbehör Oljor Kampanjer Sprängskisser Motorinformation