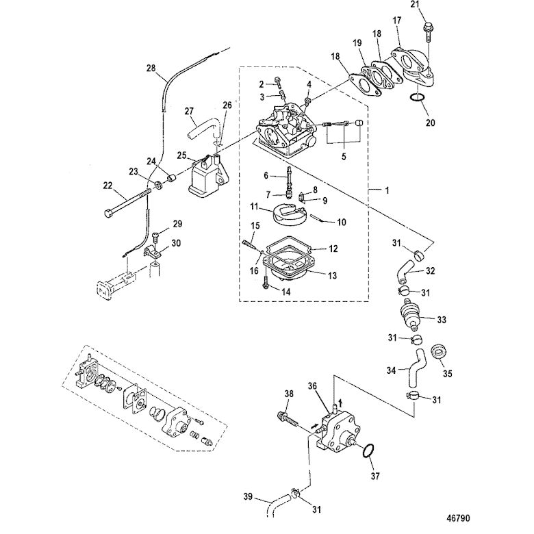
Reservdelar Bränsle förgasare & pumpar Tohatsu Munstycke Tohatsu Lägg till en bevakning så meddelar vi dig så snart varan är i lager igen. Produkten är nu bevakad Vi meddelar dig så snart varan är i lager igen. E-postadress Lägg till bevakning Dina personuppgifter behandlas i enlighet med vår integritetspolicy. Munstycke Tohatsu Huvudmunstycke Tohatsu MFS 6 C+D, 4-takt Nr 7 i bild 2 # 70 Samma som Mercury art 8M0056326 Se sprängskiss för rätt del. Fri frakt över 2000kr 30 dagars öppet köp Snabba leveranser Reservdelar Motortillbehör Oljor Kampanjer Sprängskisser Motorinformation