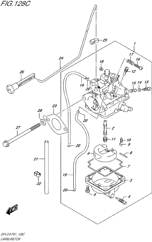
Reservdelar Bränsle förgasare & pumpar Suzuki Munstycke Suzuki Lägg till en bevakning så meddelar vi dig så snart varan är i lager igen. Produkten är nu bevakad Vi meddelar dig så snart varan är i lager igen. E-postadress Lägg till bevakning Dina personuppgifter behandlas i enlighet med vår integritetspolicy. Munstycke Suzuki Munstycke, Jet pilot # 38, Suzuki DF 6 hk, 4-takt flera modeller (ej A-mod) Se sprängskiss för rätt del. Nr 12 i bild 2 Fri frakt över 2000kr 30 dagars öppet köp Snabba leveranser Reservdelar Motortillbehör Oljor Kampanjer Sprängskisser Motorinformation