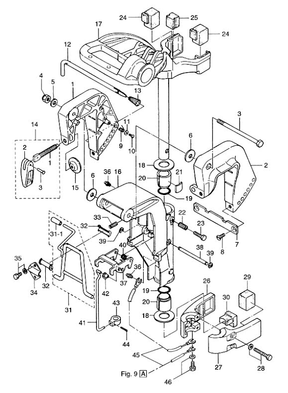
Reservdelar Powertrim & rigg Tohatsu Motorbussning Tohatsu Lägg till en bevakning så meddelar vi dig så snart varan är i lager igen. Produkten är nu bevakad Vi meddelar dig så snart varan är i lager igen. E-postadress Lägg till bevakning Dina personuppgifter behandlas i enlighet med vår integritetspolicy. Motorbussning Tohatsu Motorbussning Tohatsu M 6 - M 9,8 hk, 2-takt 169 cc Nr 30 i bild 2 Samma som Mercury art 8037755 Fri frakt över 2000kr 30 dagars öppet köp Snabba leveranser Reservdelar Motortillbehör Oljor Kampanjer Sprängskisser Motorinformation