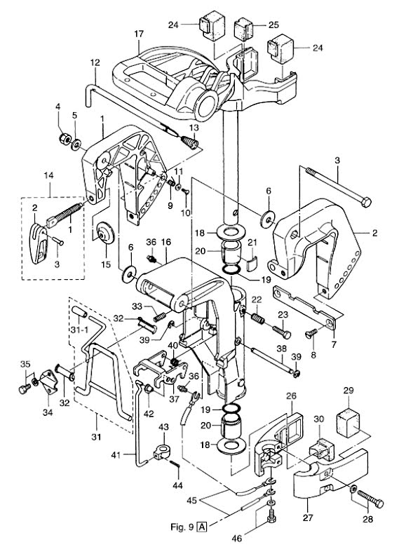
Reservdelar Powertrim & rigg Tohatsu Motorbussning Tohatsu Lägg till en bevakning så meddelar vi dig så snart varan är i lager igen. Produkten är nu bevakad Vi meddelar dig så snart varan är i lager igen. E-postadress Lägg till bevakning Dina personuppgifter behandlas i enlighet med vår integritetspolicy. Motorbussning Tohatsu Motorbussning rigg Tohatsu M 6 B - M 9,8 B, 2-takt Nr 25 i bild 2 Samma som Mercury art 8037781 Fri frakt över 2000kr 30 dagars öppet köp Snabba leveranser Reservdelar Motortillbehör Oljor Kampanjer Sprängskisser Motorinformation