Motorbussning Tohatsu
Lägg till en bevakning så meddelar vi dig så snart varan är i lager igen.
Motorbussning Tohatsu
Motorbussning Tohatsu M 6 - M 9,8 hk, 2-takt 169 cc
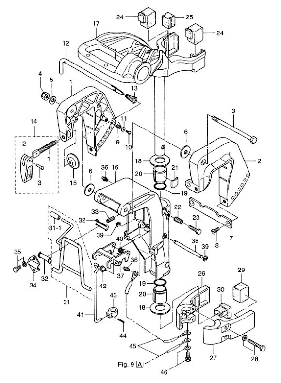
Nr 29 i bild 2, nedre, 2 st åtgår per motor
Samma som Mercury art 8037754
Fri frakt över 2000kr
30 dagars öppet köp
Snabba leveranser
