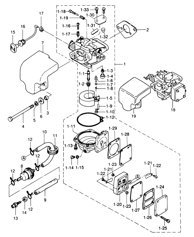
Reservdelar Bränsle förgasare & pumpar Tohatsu Lock bränslepump Tohatsu Lägg till en bevakning så meddelar vi dig så snart varan är i lager igen. Produkten är nu bevakad Vi meddelar dig så snart varan är i lager igen. E-postadress Lägg till bevakning Dina personuppgifter behandlas i enlighet med vår integritetspolicy. Lock bränslepump Tohatsu Lock bränslepump Tohatsu M 4 C - M 9,8 B, 2-takt Nr 1-24 i bild 2 Samma som Mercury art 16272 Fri frakt över 2000kr 30 dagars öppet köp Snabba leveranser Reservdelar Motortillbehör Oljor Kampanjer Sprängskisser Motorinformation