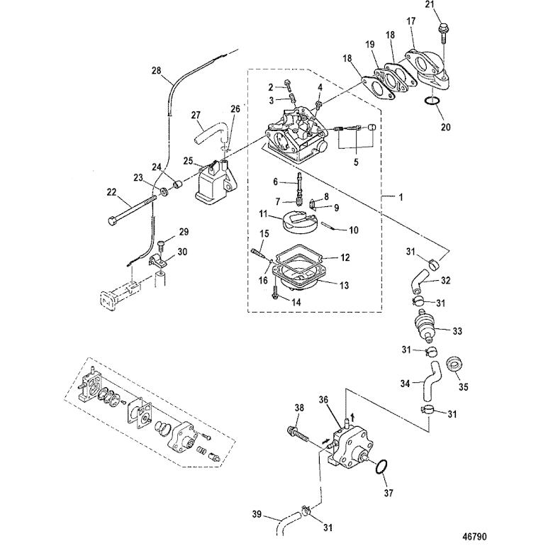
Reservdelar Bränsle förgasare & pumpar Tohatsu Insulator Tohatsu Lägg till en bevakning så meddelar vi dig så snart varan är i lager igen. Produkten är nu bevakad Vi meddelar dig så snart varan är i lager igen. E-postadress Lägg till bevakning Dina personuppgifter behandlas i enlighet med vår integritetspolicy. Insulator Tohatsu Insulator Tohatsu MFS 4 MFS 6 hk, 4-takt Nr 19 i bild 2 Samma som Mercury art 80350810 Fri frakt över 2000kr 30 dagars öppet köp Snabba leveranser Reservdelar Motortillbehör Oljor Kampanjer Sprängskisser Motorinformation