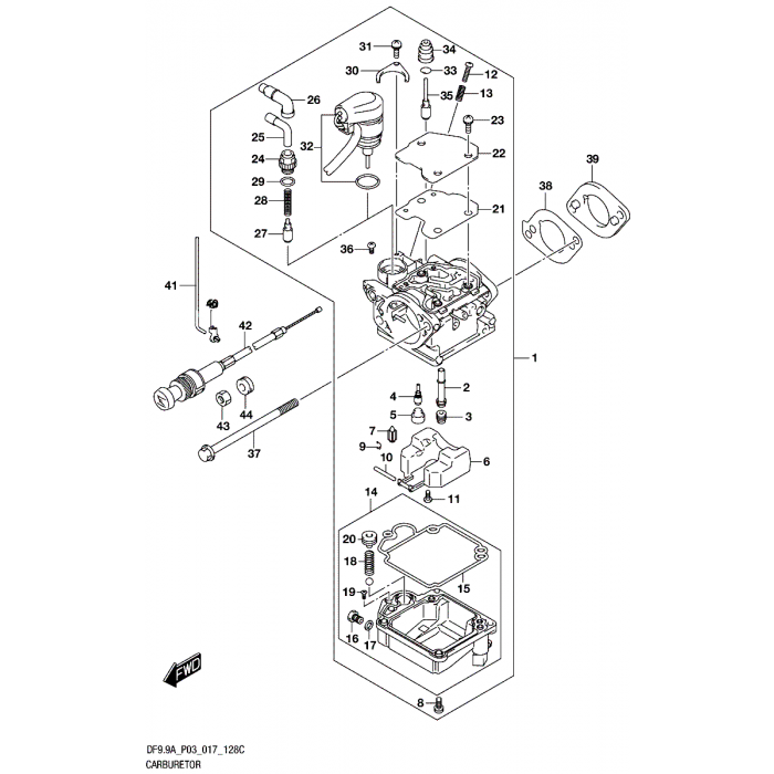
Reservdelar Bränsle förgasare & pumpar Suzuki Huvudmunstycke Suzuki Lägg till en bevakning så meddelar vi dig så snart varan är i lager igen. Produkten är nu bevakad Vi meddelar dig så snart varan är i lager igen. E-postadress Lägg till bevakning Dina personuppgifter behandlas i enlighet med vår integritetspolicy. Huvudmunstycke Suzuki Huvudmunstycke, # 82, förgasare Suzuki DF 9,9 A hk, 4-takt flera modeller Se sprängskiss för rätt del Nr 3 i bild 2 Fri frakt över 2000kr 30 dagars öppet köp Snabba leveranser Reservdelar Motortillbehör Oljor Kampanjer Sprängskisser Motorinformation