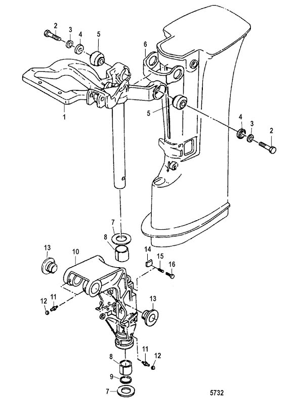
Reservdelar Powertrim & rigg Tohatsu Gummidämpare Tohatsu Lägg till en bevakning så meddelar vi dig så snart varan är i lager igen. Produkten är nu bevakad Vi meddelar dig så snart varan är i lager igen. E-postadress Lägg till bevakning Dina personuppgifter behandlas i enlighet med vår integritetspolicy. Gummidämpare Tohatsu Övre gummidämpning rigg Tohatsu M 9,9 - M 18 hk, 2-takt 247 cc Nr 6 i bild 2 Samma som Mercury art 803778 Fri frakt över 2000kr 30 dagars öppet köp Snabba leveranser Reservdelar Motortillbehör Oljor Kampanjer Sprängskisser Motorinformation