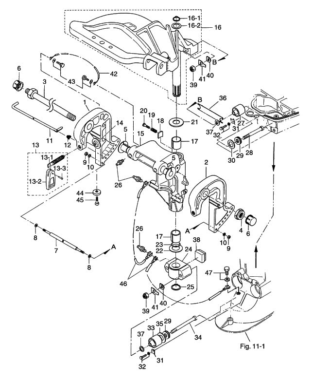
Friktionskil Tohatsu
Lägg till en bevakning så meddelar vi dig så snart varan är i lager igen.
Friktionskil Tohatsu
Friktionskil för friktionsjustering rigg Tohatsu M 6 B - M 50 D hk, 2-takt flera modeller
Nr 18 i bild 2
Se sprängskiss för rätt del.
Samma som Mercury art 162052
Fri frakt över 2000kr
30 dagars öppet köp
Snabba leveranser
