Förgasarhalspackning Suzuki
Lägg till en bevakning så meddelar vi dig så snart varan är i lager igen.
Förgasarhalspackning Suzuki
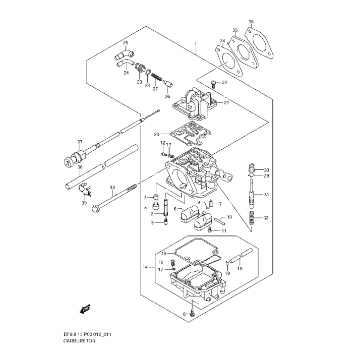
Förgasarpackning Suzuki DF 9,9 - DF 15 hk 302 cc, förgasarmodeller vissa modeller
Se sprängskiss för rätt del.
Nr 36 i bild 2
Fri frakt över 2000kr
30 dagars öppet köp
Snabba leveranser
