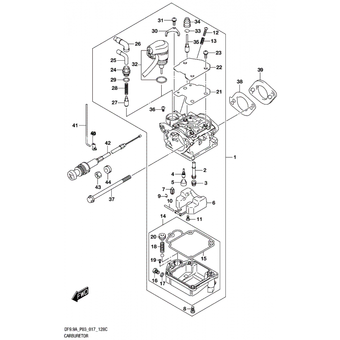
Reservdelar Bränsle förgasare & pumpar Suzuki Flottörhus Suzuki Lägg till en bevakning så meddelar vi dig så snart varan är i lager igen. Produkten är nu bevakad Vi meddelar dig så snart varan är i lager igen. E-postadress Lägg till bevakning Dina personuppgifter behandlas i enlighet med vår integritetspolicy. Flottörhus Suzuki Flottörhus Suzuki DF 9,9 A, 4-takt manuell start Nr i bild Fri frakt över 2000kr 30 dagars öppet köp Snabba leveranser Reservdelar Motortillbehör Oljor Kampanjer Sprängskisser Motorinformation