Fjäder Tohatsu
Lägg till en bevakning så meddelar vi dig så snart varan är i lager igen.
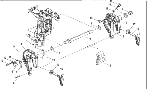
Fjäder Tohatsu
Fjäder manuell tilt Tohatsu MFS 8 - MFS 9,9 hk, 4-takt 209 cc
Nr 11 i bild 1, sitter på fler ställen enl. bild
Se sprängskiss för rätt del och antal, säljes styckvis
Samma som Mercury art 813028004
Fri frakt över 2000kr
30 dagars öppet köp
Snabba leveranser
