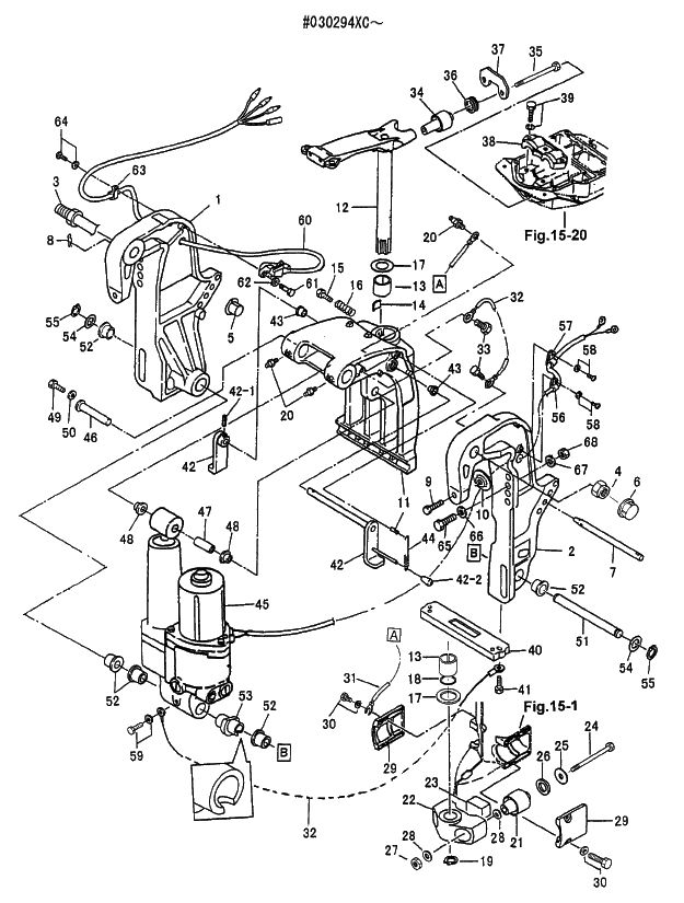
Fjäder friktionsskruv Tohatsu
Lägg till en bevakning så meddelar vi dig så snart varan är i lager igen.
Fjäder friktionsskruv Tohatsu
Fjäder, friktionsskruv, rigg Tohatsu M 6 B - M 50 D, 2-takt samt MFS 8 - MFS 9,8 hk, 4-takt flera modeller
Se sprängskiss för rätt del
Nr 16 i bild 2
Samma som Mercury art 953831
Fri frakt över 2000kr
30 dagars öppet köp
Snabba leveranser
