Fjäder choke Suzuki
Lägg till en bevakning så meddelar vi dig så snart varan är i lager igen.
Fjäder choke Suzuki
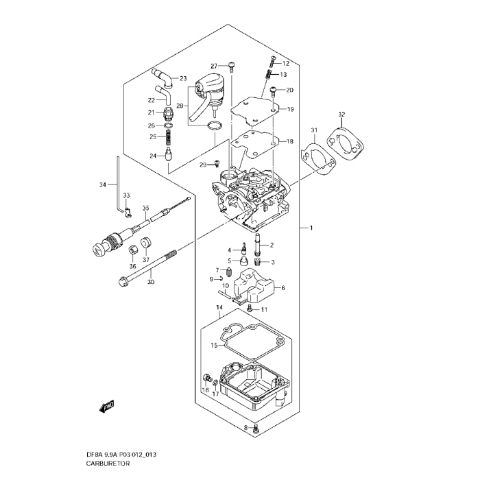
Fjäder manuell choke Suzuki DF 8 A - DF 9,9 A, DF 9,9 - DF 15 hk 302 cc, förgasarmodeller vissa modeller samt DF 25 V 2, 4-takt
Se sprängskiss för rätt del.
Nr 25 i bild 2
Fri frakt över 2000kr
30 dagars öppet köp
Snabba leveranser
