Dräneringsskruv Suzuki
Lägg till en bevakning så meddelar vi dig så snart varan är i lager igen.
Dräneringsskruv Suzuki
Dräneringsskruv förgasare Suzuki DF 9,9 - DF 15 hk, 4-takt gamla modellen, ej A-modeller samt DF 25 V-twin
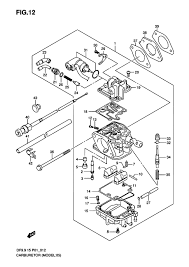
Se sprängskiss för rätt del. Nr 16 i bild
O-ring/tätning art 13523-94J00 ingår ej, beställs separat.
Fri frakt över 2000kr
30 dagars öppet köp
Snabba leveranser
