Cup förgasare Suzuki
Lägg till en bevakning så meddelar vi dig så snart varan är i lager igen.
Cup förgasare Suzuki
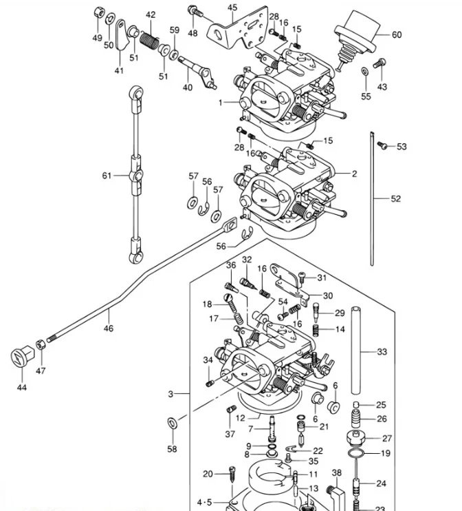
Cup förgasare Suzuki DF 9,9 - DF 15 hk samt DF 25 - DF 30 hk, äldre modeller 4-takt
Se sprängskiss för rätt del och antal
Nr 25 i bild 2
Fri frakt över 2000kr
30 dagars öppet köp
Snabba leveranser
