Bricka rigg Tohatsu
M 40 D - M 50 D, 2-takt samt MFS 25 B+C+D - MFS 30 B+C+D och MFS 40 A - MFS 60 A, 4-takt
Lägg till en bevakning så meddelar vi dig så snart varan är i lager igen.
Bricka rigg Tohatsu
M 40 D - M 50 D, 2-takt samt MFS 25 B+C+D - MFS 30 B+C+D och MFS 40 A - MFS 60 A, 4-takt
Bricka rigg Tohatsu M 40 D - M 50 D, 2-takt samt MFS 25 B+C+D - MFS 30 B+C+D och MFS 40 A - MFS 60 A, 4-takt
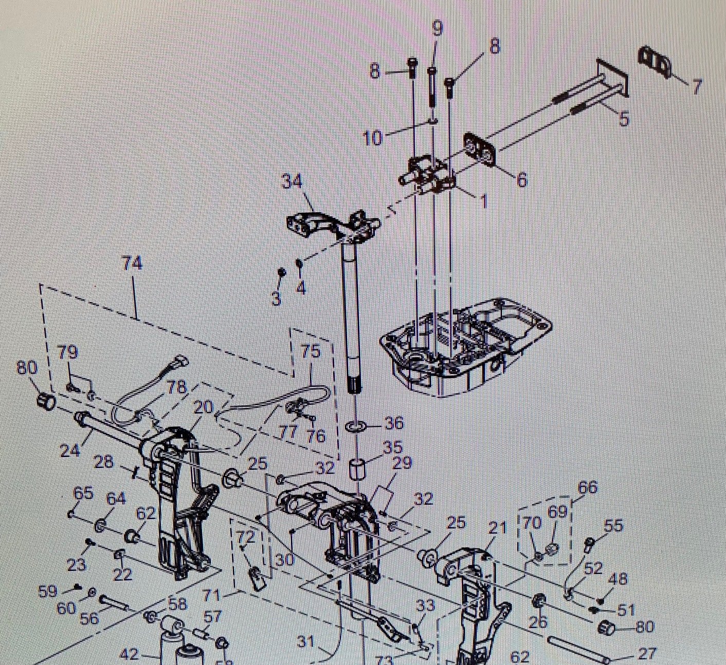
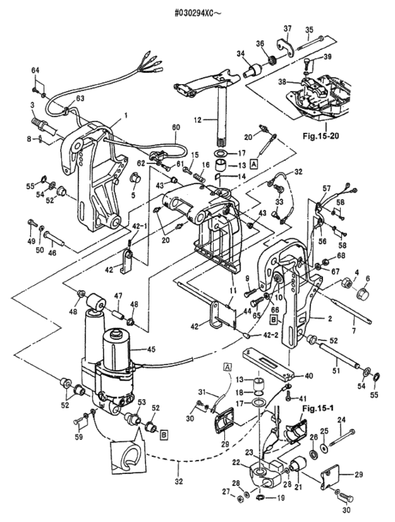
Nr 17 i bild 1 (M 40D-M 50D), nr 36 i bild 2 (MFS 40A-MFS60 A)
Se sprängskiss för rätt del och antal
Samma som Mercury art 803774004
Fri frakt över 2000kr
30 dagars öppet köp
Snabba leveranser
