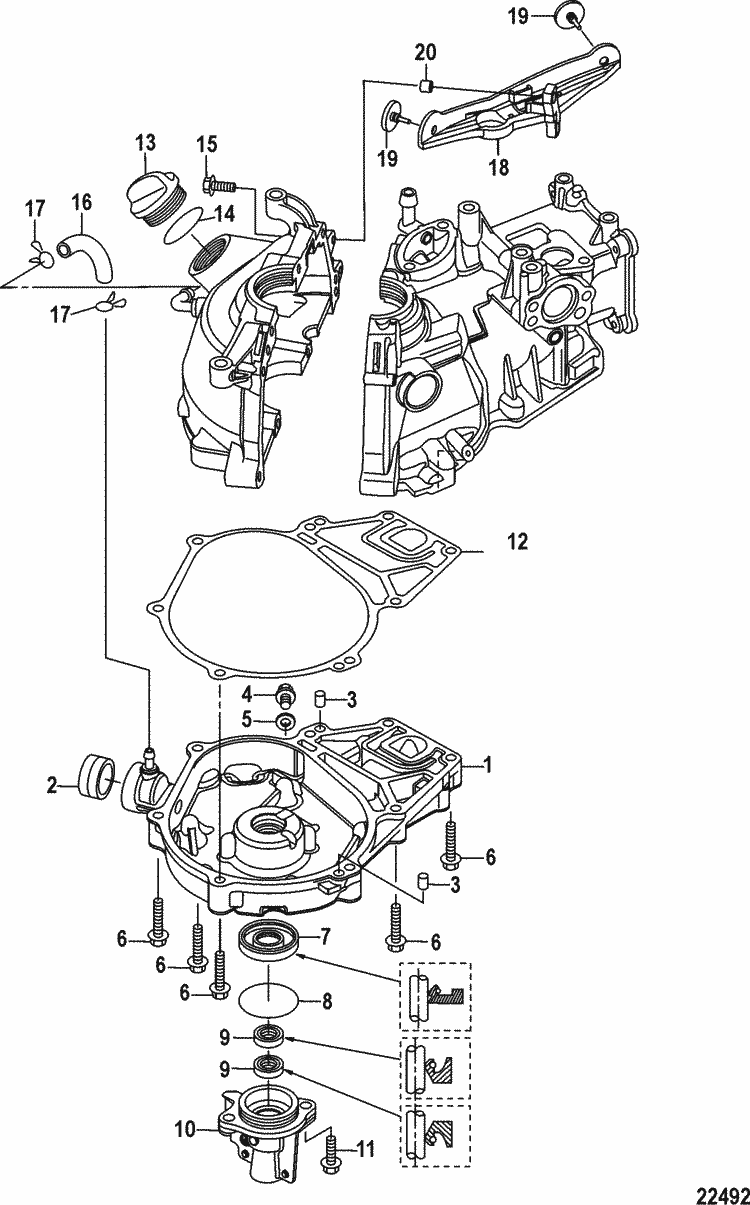
Vevaxelhus Tohatsu
Lägg till en bevakning så meddelar vi dig så snart varan är i lager igen.
Vevaxelhus Tohatsu
Vevaxelhus, täthus, Tohatsu MFS 2,5 - MFS 3,5 hk, 4-takt
Nr 10 i bild 2
Utan tätningar, beställs separat 2 st packbox art 3AB-01215-0 och 1 st o-ring art 3V1-02012-0
Samma som Mercury vevaxelhus art 898103T55
Fri frakt över 2000kr
30 dagars öppet köp
Snabba leveranser
