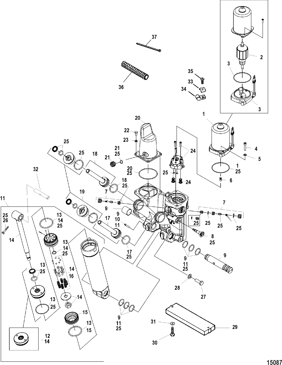
Ventilsats powertrim Mercury
Lägg till en bevakning så meddelar vi dig så snart varan är i lager igen.
Ventilsats powertrim Mercury
Ventilsats till powertrim Mercury Verado L 4 samt flera V 6, 2-takt och DFI med metallskydd runt elmotor
Se sprängskiss för rätt del.
Nr 7 i bild
Fri frakt över 2000kr
30 dagars öppet köp
Snabba leveranser
