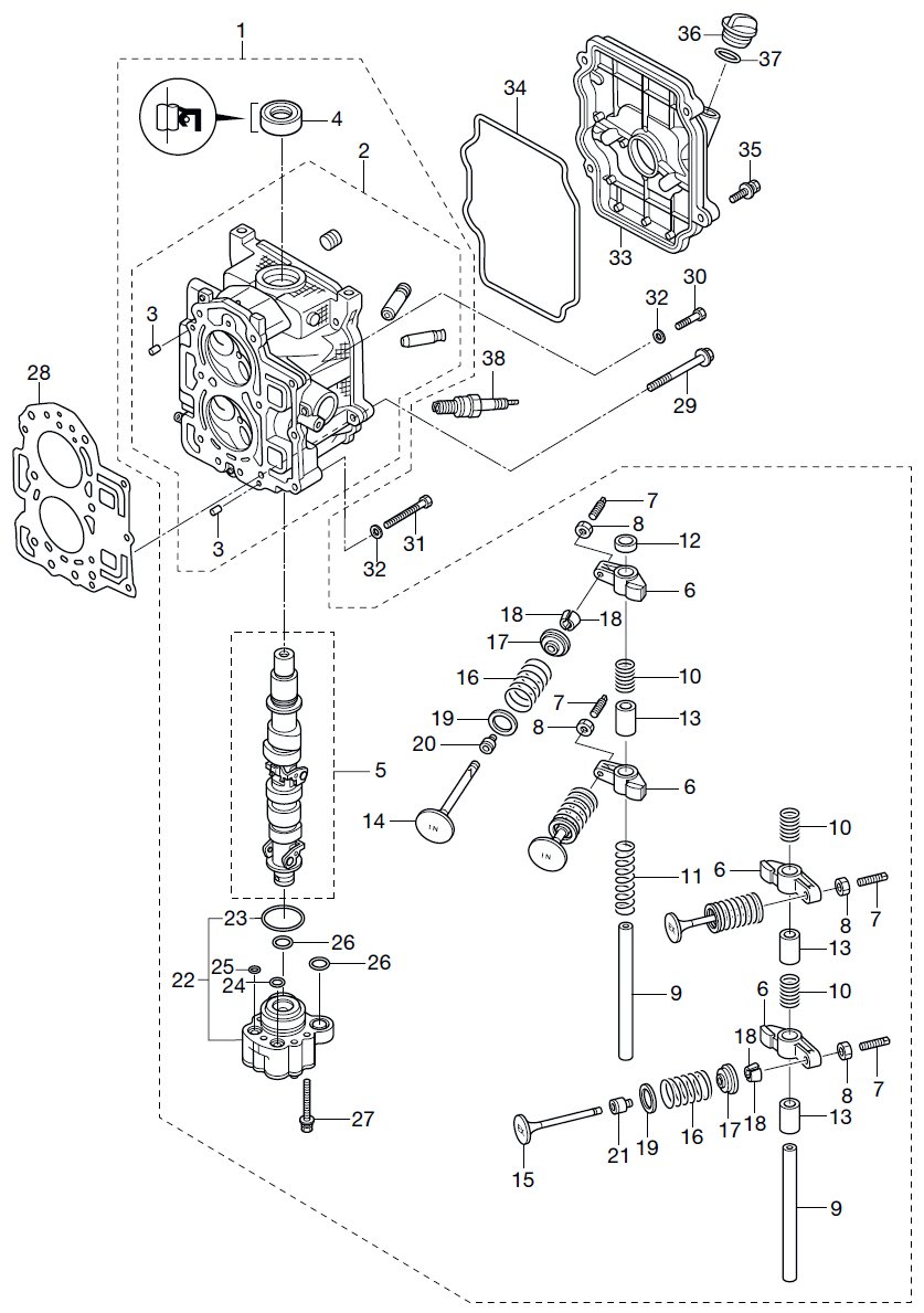
Ventilfjäder Tohatsu
Lägg till en bevakning så meddelar vi dig så snart varan är i lager igen.
Ventilfjäder Tohatsu
Ventilfjäder Tohatsu MFS 2,5 - MFS 30 hk, 4-takt
Nr 16 i bild. Ersätter Tohatsu art 3H6-07203-1
Samma som Mercury art 898101214, tid. 8035544
Fri frakt över 2000kr
30 dagars öppet köp
Snabba leveranser
