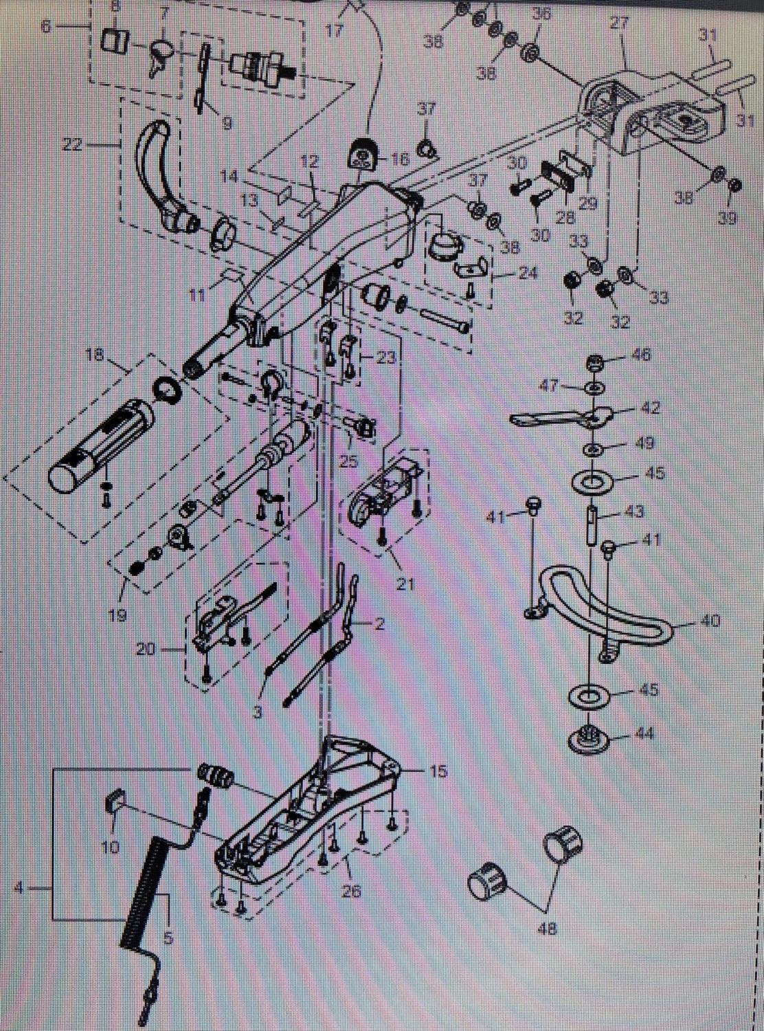
Reservdelar Växling & gasdelar Tohatsu Växelwire Tohatsu Lägg till en bevakning så meddelar vi dig så snart varan är i lager igen. Produkten är nu bevakad Vi meddelar dig så snart varan är i lager igen. E-postadress Lägg till bevakning Dina personuppgifter behandlas i enlighet med vår integritetspolicy. Växelwire Tohatsu Växelwire Tohatsu MFS 25 D - MFS 30 D, 4-takt Multitiller Nr 3 i bild Fri frakt över 2000kr 30 dagars öppet köp Snabba leveranser Reservdelar Motortillbehör Oljor Kampanjer Sprängskisser Motorinformation