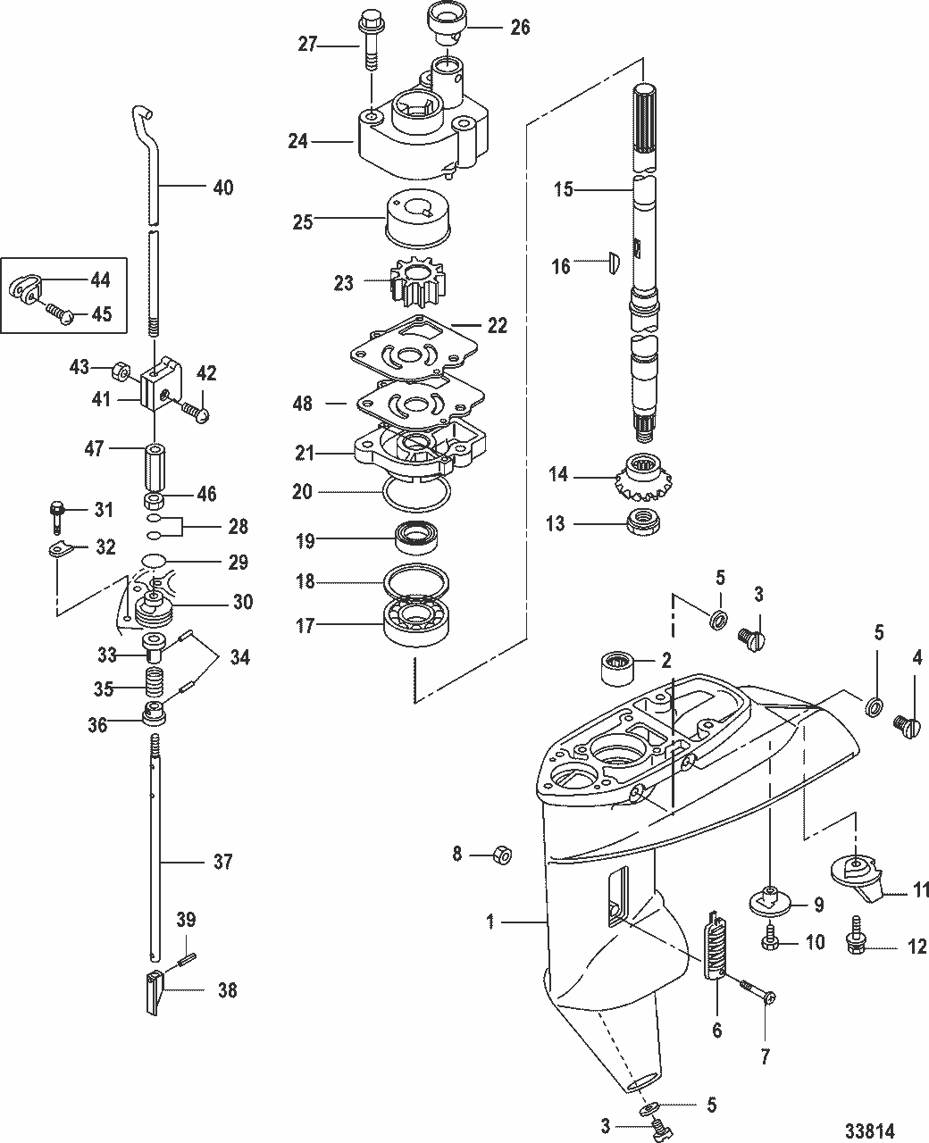
Reservdelar Växling & gasdelar Mercury Växelstång Mercury Lägg till en bevakning så meddelar vi dig så snart varan är i lager igen. Produkten är nu bevakad Vi meddelar dig så snart varan är i lager igen. E-postadress Lägg till bevakning Dina personuppgifter behandlas i enlighet med vår integritetspolicy. Växelstång Mercury Växelstång, övre, Mercury F 10 - F 20 hk, 351 cc, 4-takt reglagemodeller Nr 40 i bild Samma som Tohatsu art 3AZ-66211-0 Fri frakt över 2000kr 30 dagars öppet köp Snabba leveranser Reservdelar Motortillbehör Oljor Kampanjer Sprängskisser Motorinformation