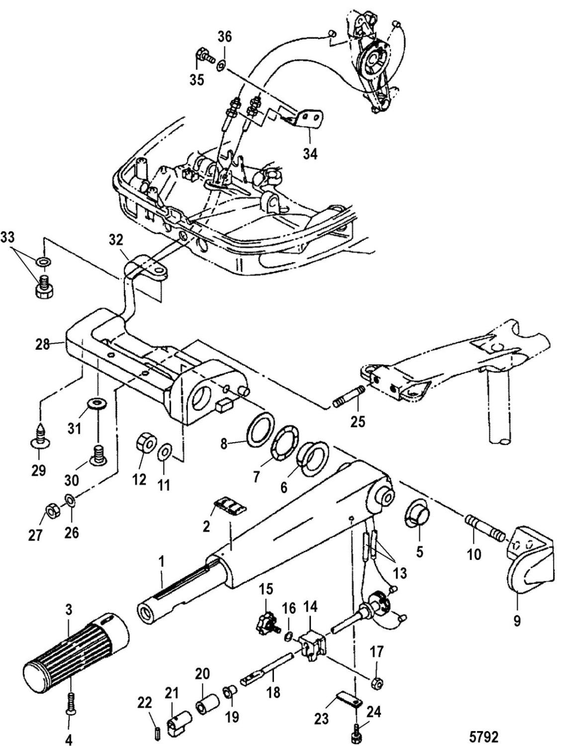
Reservdelar Växling & gasdelar Mercury Vågbricka Mercury Lägg till en bevakning så meddelar vi dig så snart varan är i lager igen. Produkten är nu bevakad Vi meddelar dig så snart varan är i lager igen. E-postadress Lägg till bevakning Dina personuppgifter behandlas i enlighet med vår integritetspolicy. Vågbricka Mercury Vågbricka rorkult Mercury 6 - 9,8 hk, 169 cc samt 40 - 50 hk, 697 cc 2-takt Nr 6 i bild 2 Samma som Tohatsu art 3B2-63109-0 Fri frakt över 2000kr 30 dagars öppet köp Snabba leveranser Reservdelar Motortillbehör Oljor Kampanjer Sprängskisser Motorinformation