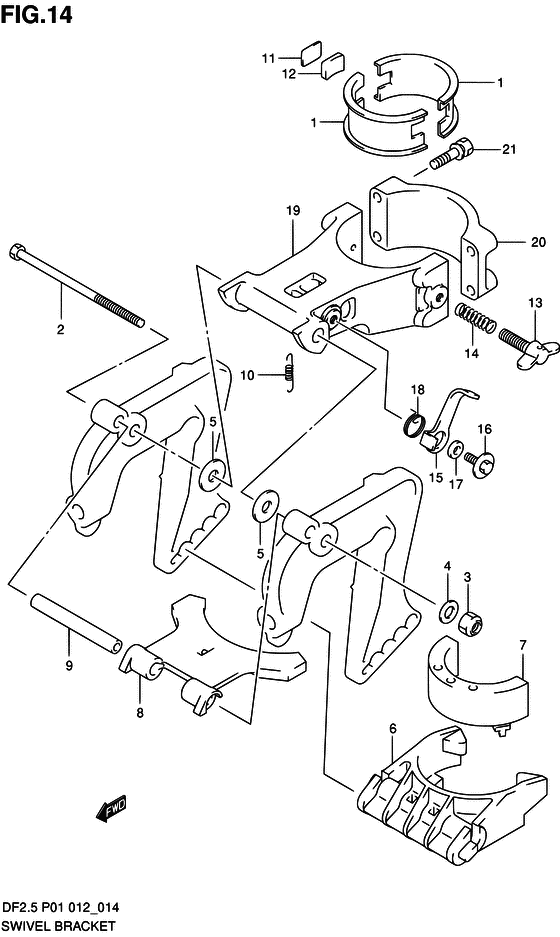
Reservdelar Powertrim & rigg Suzuki Upphängning Suzuki Lägg till en bevakning så meddelar vi dig så snart varan är i lager igen. Produkten är nu bevakad Vi meddelar dig så snart varan är i lager igen. E-postadress Lägg till bevakning Dina personuppgifter behandlas i enlighet med vår integritetspolicy. Upphängning Suzuki Upphängning Suzuki DF 2,5 hk, 4-takt flera modeller Se sprängskiss för rätt del Nr 19 och 20 i bild 2 Ers art 43110-97J30-0EP Fri frakt över 2000kr 30 dagars öppet köp Snabba leveranser Reservdelar Motortillbehör Oljor Kampanjer Sprängskisser Motorinformation