Trimpinne Mercury
Lägg till en bevakning så meddelar vi dig så snart varan är i lager igen.
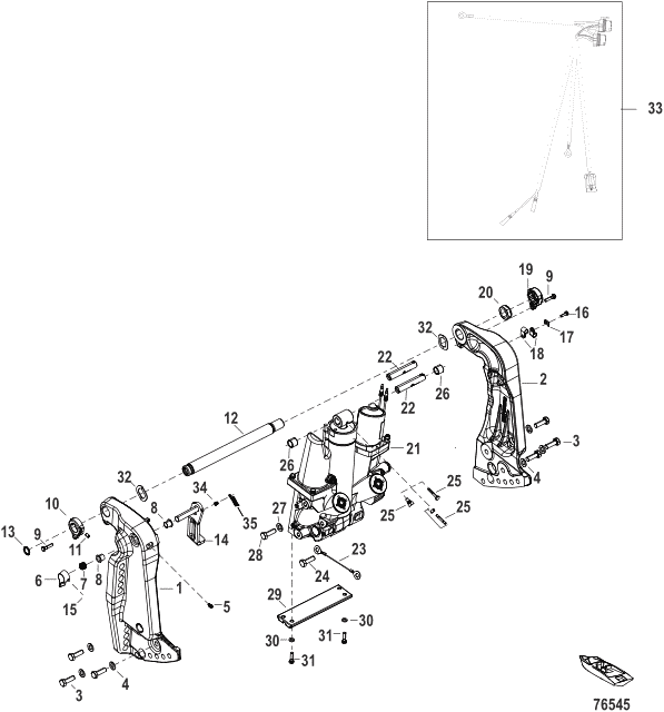
Trimpinne Mercury
Trimpinne med magnet Mercury V 6 och V 8, 4-takt flera modeller
Bult/mutter design
Se sprängskiss för rätt del, nr 22 i bild 2
Ers art 8M0164978
Fri frakt över 2000kr
30 dagars öppet köp
Snabba leveranser
