Topplocksbult Mercury
Lägg till en bevakning så meddelar vi dig så snart varan är i lager igen.
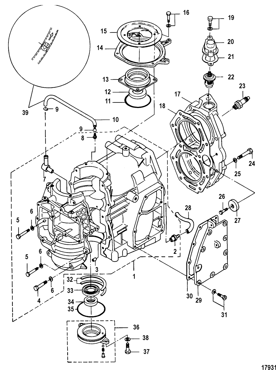
Topplocksbult Mercury
Topplocksbult Mercury 25 - 30 hk, 2-takt 430 cc, Tohatsumodeller
Se sprängskiss för rätt del och rätt antal
Nr 24 i bild
Ers art 8M0065567, 898101927 och 166981
Samma som Tohatsu art 3KK-01012-0 , tid. 916119-0845
Fri frakt över 2000kr
30 dagars öppet köp
Snabba leveranser
