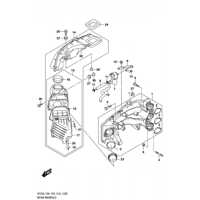
Reservdelar Motordelar Suzuki Tätning luftburk Suzuki Lägg till en bevakning så meddelar vi dig så snart varan är i lager igen. Produkten är nu bevakad Vi meddelar dig så snart varan är i lager igen. E-postadress Lägg till bevakning Dina personuppgifter behandlas i enlighet med vår integritetspolicy. Tätning luftburk Suzuki Tätning luftburk Suzuki DF 25 A - DF 30 A, 4-takt t.o.m 2023 Se sprängskiss för rätt del Nr 24 i bild Fri frakt över 2000kr 30 dagars öppet köp Snabba leveranser Reservdelar Motortillbehör Oljor Kampanjer Sprängskisser Motorinformation