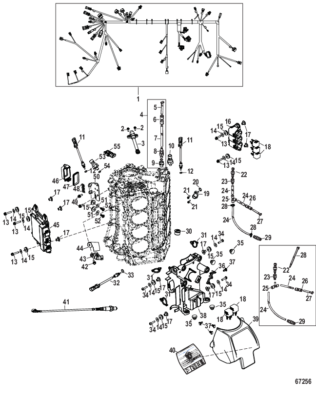
Reservdelar Motordelar Mercury Tätning säkringsbox Mercury Lägg till en bevakning så meddelar vi dig så snart varan är i lager igen. Produkten är nu bevakad Vi meddelar dig så snart varan är i lager igen. E-postadress Lägg till bevakning Dina personuppgifter behandlas i enlighet med vår integritetspolicy. Tätning säkringsbox Mercury Tätning säkringsbox Mercury V 6, V 8, V 10 och V 12, 4-takt Se sprängskiss för rätt del Nr 47 i bild Fri frakt över 2000kr 30 dagars öppet köp Snabba leveranser Reservdelar Motortillbehör Oljor Kampanjer Sprängskisser Motorinformation