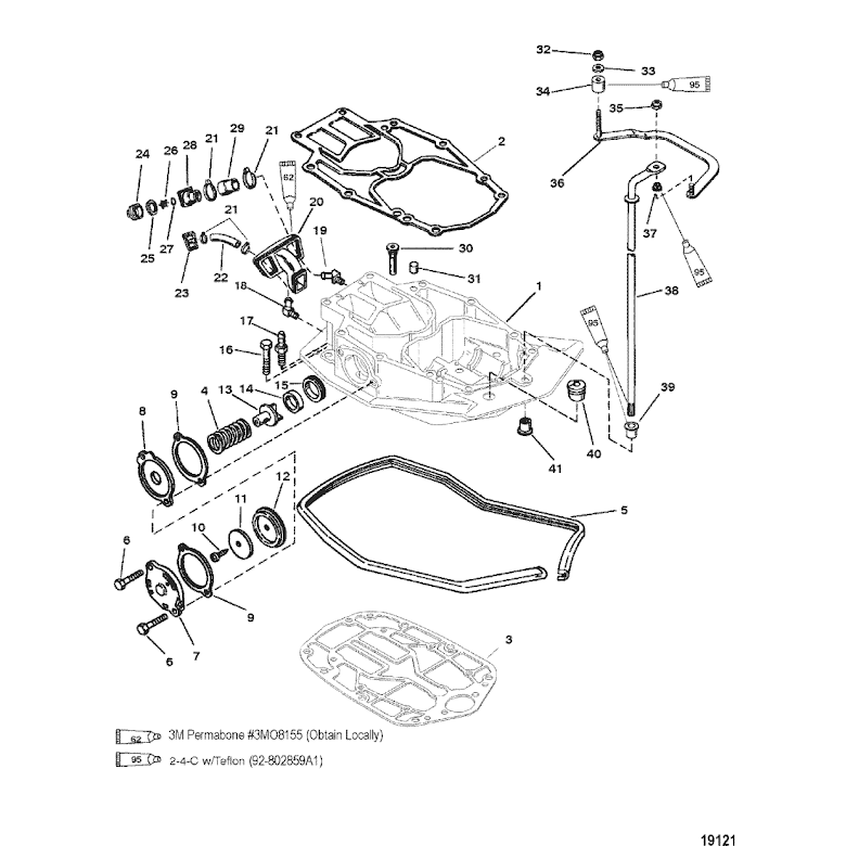
Reservdelar Powertrim & rigg Mercury Tätning rigg Mercury Lägg till en bevakning så meddelar vi dig så snart varan är i lager igen. Produkten är nu bevakad Vi meddelar dig så snart varan är i lager igen. E-postadress Lägg till bevakning Dina personuppgifter behandlas i enlighet med vår integritetspolicy. Tätning rigg Mercury Tätning avgasventil i rigg Mercury V 6, 2-takt och DFI/Optimax Se sprängskiss för rätt del Nr 15 i bild 2 Fri frakt över 2000kr 30 dagars öppet köp Snabba leveranser Reservdelar Motortillbehör Oljor Kampanjer Sprängskisser Motorinformation