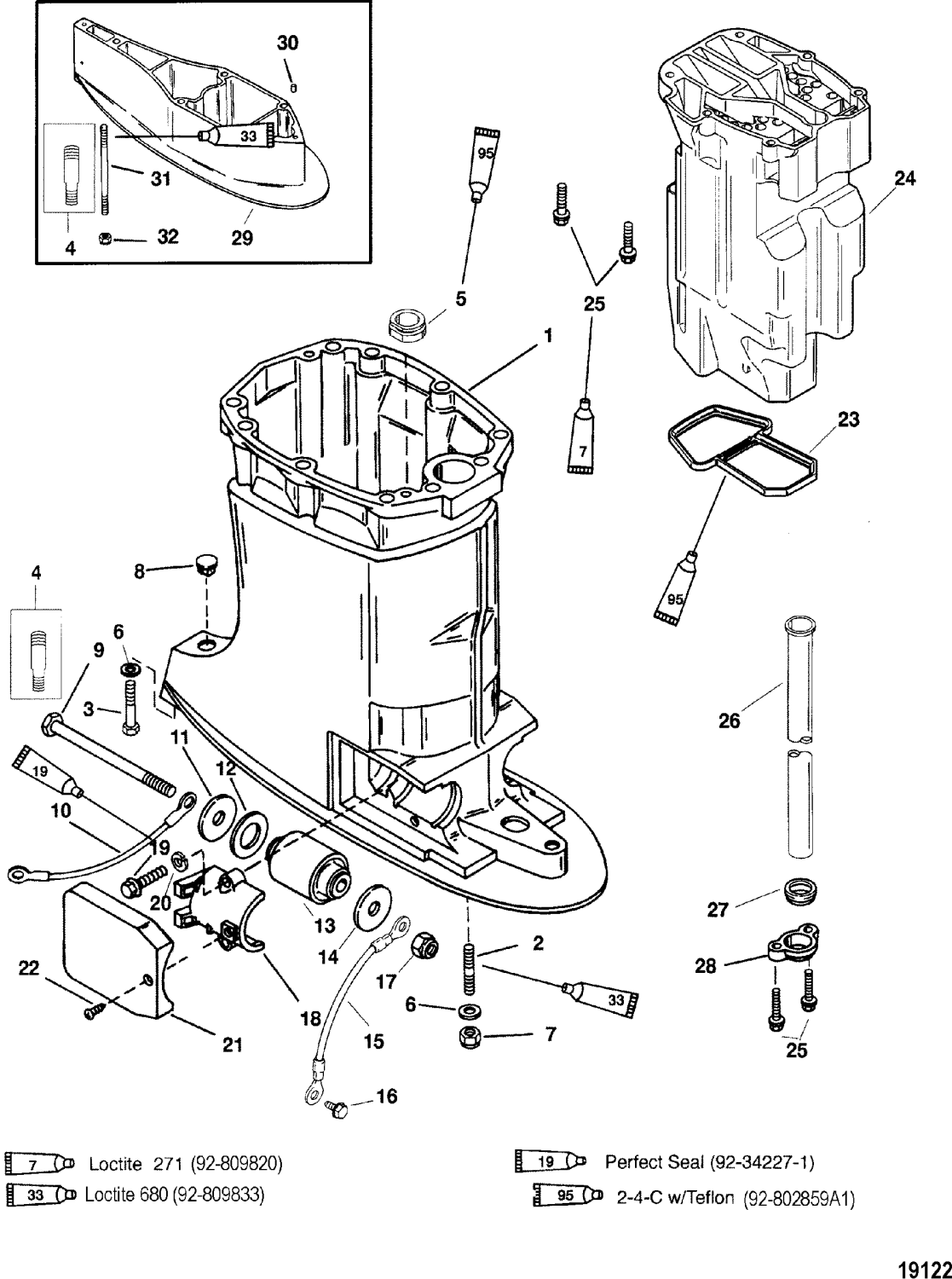
Reservdelar Powertrim & rigg Mercury Tätning kylvattenrör Mercury Lägg till en bevakning så meddelar vi dig så snart varan är i lager igen. Produkten är nu bevakad Vi meddelar dig så snart varan är i lager igen. E-postadress Lägg till bevakning Dina personuppgifter behandlas i enlighet med vår integritetspolicy. Tätning kylvattenrör Mercury Tätning kylvattenrör flera Mercury V 6, 2-takt och DFI Se sprängskiss för rätt del. Nr 27 i bild 2 Fri frakt över 2000kr 30 dagars öppet köp Snabba leveranser Reservdelar Motortillbehör Oljor Kampanjer Sprängskisser Motorinformation