Styrfäste Mercury
Lägg till en bevakning så meddelar vi dig så snart varan är i lager igen.
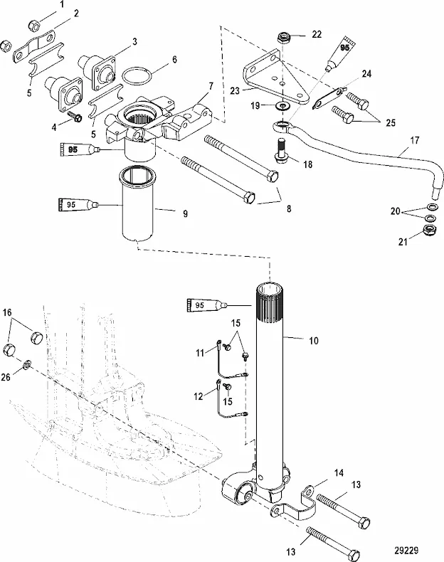
Styrfäste Mercury
Styrfäste Mercury F 25 - F 60 hk, 4-takt flera modeller
Sitter även i flera 2-takt
Se sprängskiss för rätt del
Nr 23 i bild 2
Ers art 893696, 816667F3, 816667F2, 816667T, 816667T6
Fri frakt över 2000kr
30 dagars öppet köp
Snabba leveranser
