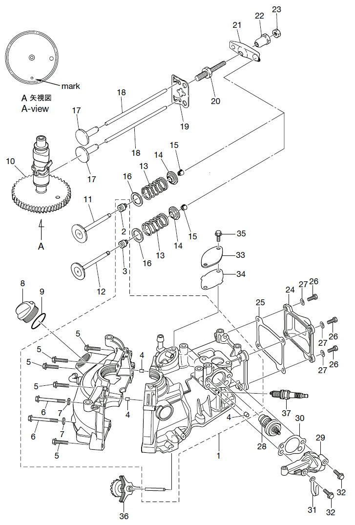
Reservdelar Motordelar Tohatsu Stötstång Tohatsu Lägg till en bevakning så meddelar vi dig så snart varan är i lager igen. Produkten är nu bevakad Vi meddelar dig så snart varan är i lager igen. E-postadress Lägg till bevakning Dina personuppgifter behandlas i enlighet med vår integritetspolicy. Stötstång Tohatsu Stötstång Tohatsu MFS 2,5 - MFS 6 hk, 4-takt Nr 18 i bild Samma som Mercury art 803547 Se sprängskiss för rätt del och antal Fri frakt över 2000kr 30 dagars öppet köp Snabba leveranser Reservdelar Motortillbehör Oljor Kampanjer Sprängskisser Motorinformation