Stopp växelstång Mercury
Lägg till en bevakning så meddelar vi dig så snart varan är i lager igen.
Stopp växelstång Mercury
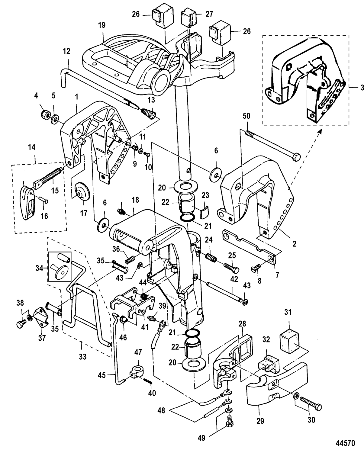
Stopp/joint växelstång Mercury 6 - 9,8 hk, 2-takt 169 cc Tohatsumodeller
Nr 47 i bild.
Samma som Tohatsu art 3B2-66302-0
Fri frakt över 2000kr
30 dagars öppet köp
Snabba leveranser
