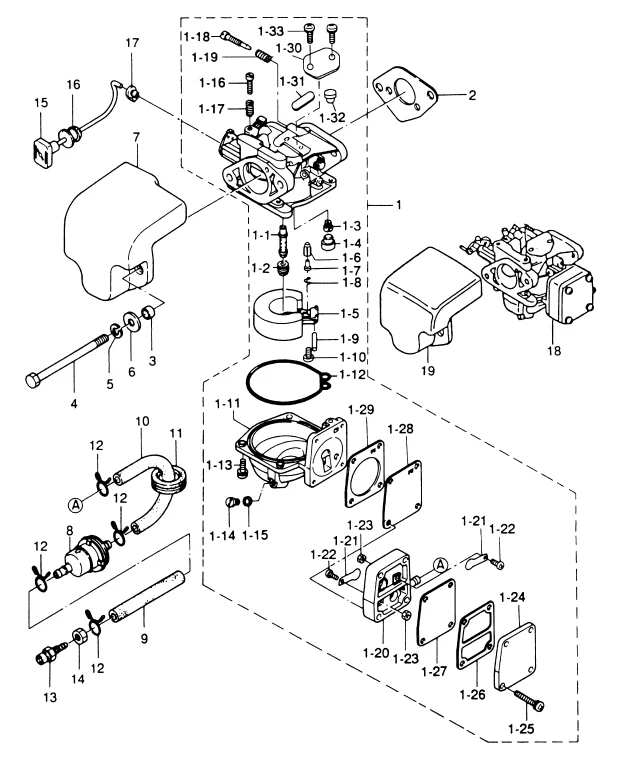
Reservdelar Bränsle förgasare & pumpar Mercury Stigarrör Mercury Lägg till en bevakning så meddelar vi dig så snart varan är i lager igen. Produkten är nu bevakad Vi meddelar dig så snart varan är i lager igen. E-postadress Lägg till bevakning Dina personuppgifter behandlas i enlighet med vår integritetspolicy. Stigarrör Mercury Stigarrör förgasare Mercury 6 hk, 2-takt 169 cc Tohatsumodell Nr 1:1 i bild 2 Samma som Tohatsu art 3G0-03252-0 Fri frakt över 2000kr 30 dagars öppet köp Snabba leveranser Reservdelar Motortillbehör Oljor Kampanjer Sprängskisser Motorinformation