Starthjul Mercury
Starthjul manuell startapparat Mercury
Lägg till en bevakning så meddelar vi dig så snart varan är i lager igen.
Starthjul Mercury
Starthjul manuell startapparat Mercury
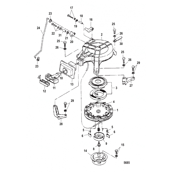
Starthjul, som startkransen greppar på svänghjulet, manuell startapparat Mercury 4 - 5 hk, 102 cc samt 6 - 9,8 hk, 169 cc 2-takt, samt F 4 - F 6 hk, 4-takt nr 0P073456-0P400999, Tohatsumodell
Nr 14 i bild 2
Samma som Tohatsu art 3B2-05901-1 (Tohatsu M 6 B - M 9,8 B 2-takt samt MFS 4 A - MFS 6 A, 4-takt)
Fri frakt över 2000kr
30 dagars öppet köp
Snabba leveranser
