Skruv Mercury
Lägg till en bevakning så meddelar vi dig så snart varan är i lager igen.
Skruv Mercury
Skruv/mutter-kit Mercury V 6 och V 8, 4-takt flera modeller
Bult/mutter design
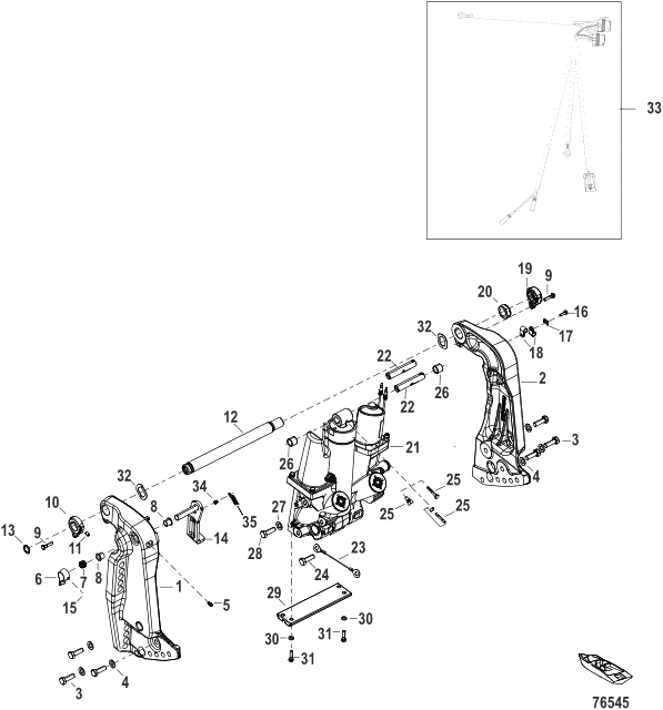
Se sprängskiss för rätt del, nr 25 i bild
Ers art 8M0230947 och 8M0230948
Fri frakt över 2000kr
30 dagars öppet köp
Snabba leveranser
