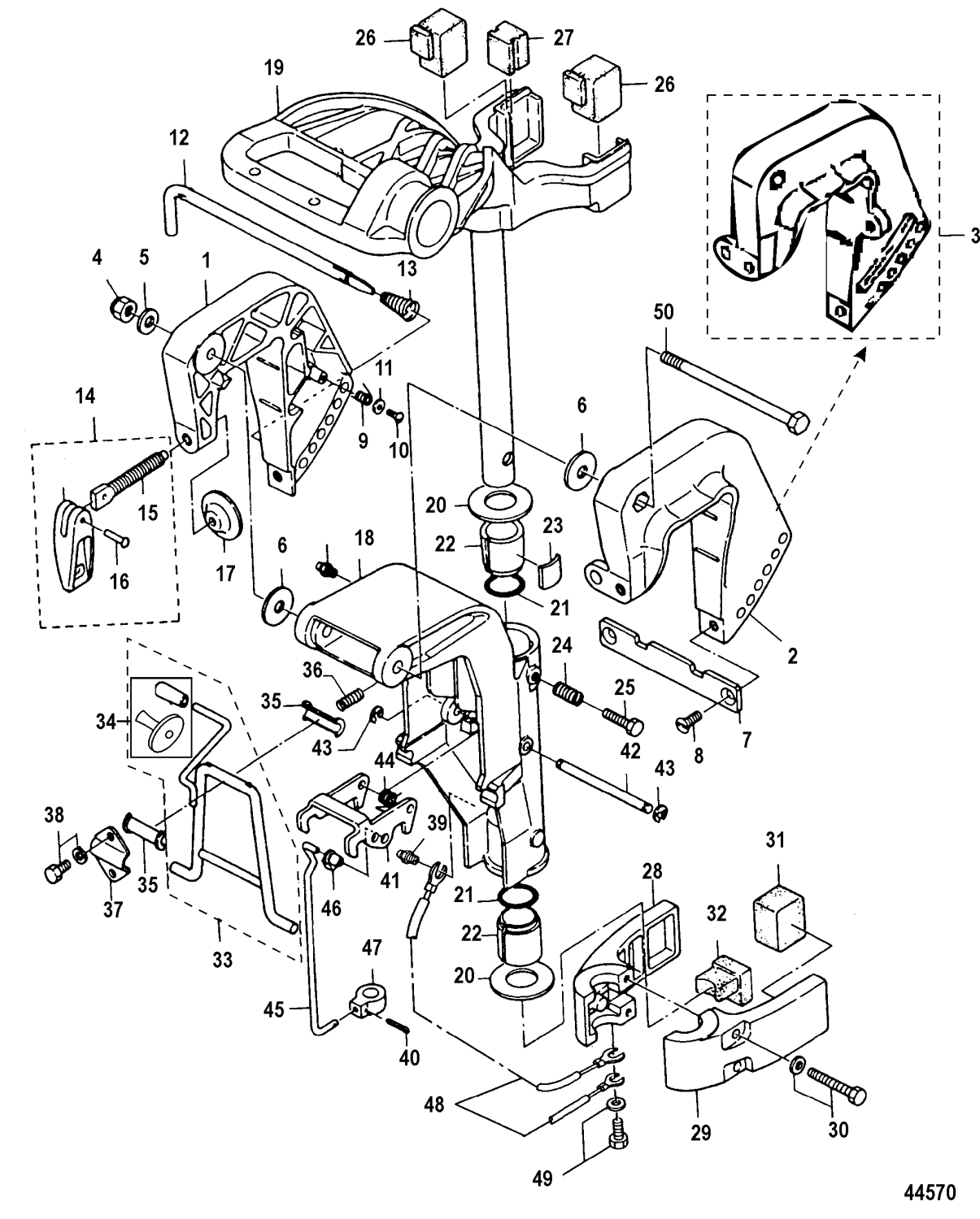
Reservdelar Powertrim & rigg Mercury Riggrör Mercury Lägg till en bevakning så meddelar vi dig så snart varan är i lager igen. Produkten är nu bevakad Vi meddelar dig så snart varan är i lager igen. E-postadress Lägg till bevakning Dina personuppgifter behandlas i enlighet med vår integritetspolicy. Riggrör Mercury Riggrör Mercury 6 - 9,8 hk, 2-takt 169 cc Tohatsumodell Nr 19 i bild 2 Ers Mercury art 8037731 Samma som Tohatsu art 3B2Q62010-0 Fri frakt över 2000kr 30 dagars öppet köp Snabba leveranser Reservdelar Motortillbehör Oljor Kampanjer Sprängskisser Motorinformation