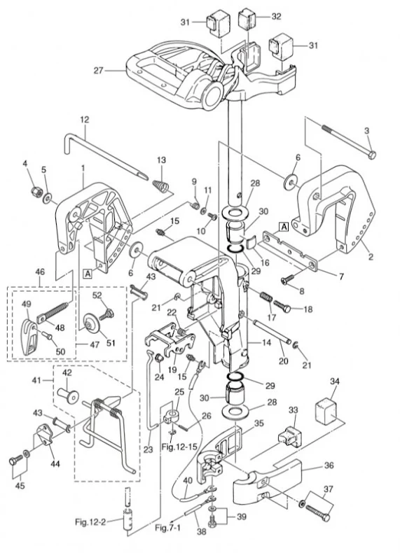
Riggrör Mercury
Lägg till en bevakning så meddelar vi dig så snart varan är i lager igen.
Riggrör Mercury
Riggrör Mercury 8 - 9,8 hk, 169 cc 2-takt
Nr 14 i bild 2
Samma som Tohatsu art 3B2Q62310-1
Se sprängskiss för rätt del.
Ers art 8037721 och 803772T01
Fri frakt över 2000kr
30 dagars öppet köp
Snabba leveranser
