Riggpinne Mercury
Lägg till en bevakning så meddelar vi dig så snart varan är i lager igen.
Riggpinne Mercury
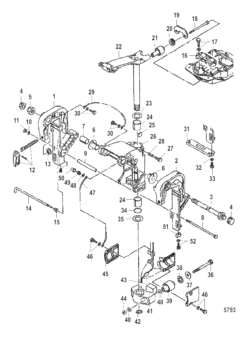
Riggpinne Mercury 40 - 50 hk, 2-takt Lightning/XR 697 cc ej powertrimmodeller, "Tohatsumodell".
Samma som Tohatsu art 3C8-62121-1 (Tohatsu M 40 D - M 50 D samt MD 40 - MD 50 TLDI)
Nr 14 i bild
Fri frakt över 2000kr
30 dagars öppet köp
Snabba leveranser
