Pinne trim Mercury
Lägg till en bevakning så meddelar vi dig så snart varan är i lager igen.
Pinne trim Mercury
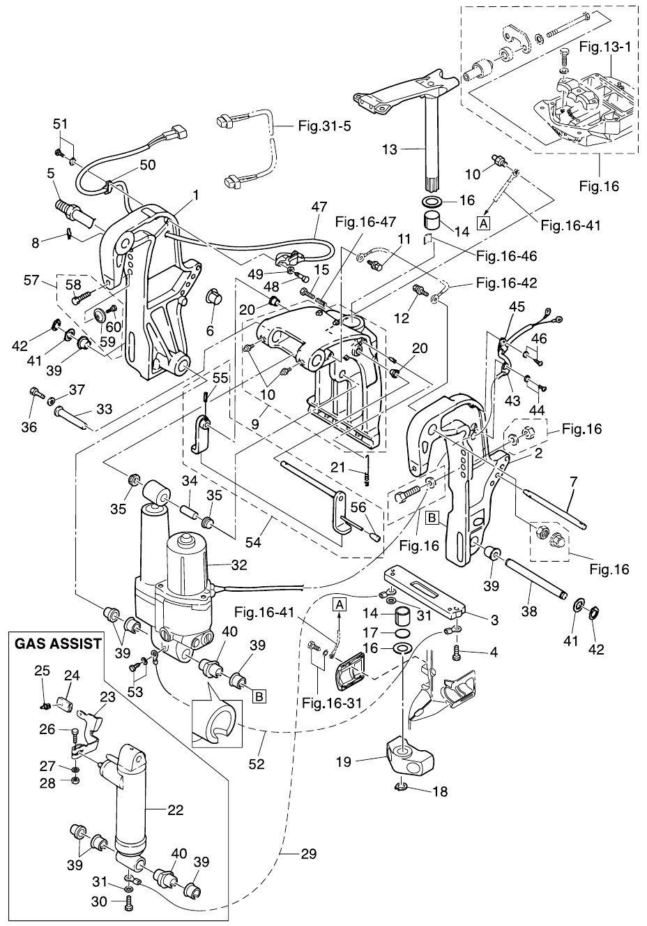
Övre pinne powertrim/tilt Mercury F 25 - F 30 hk 500 cc och 525 cc 4-takt samt 40 - 50 hk, 697 cc 2-takt Tohatsumodeller med trim/tilt.
Nr 38 i bild 2
Se sprängskiss för rätt del.
Ers. Mercury art. 16085004 och 851874006
Samma som Tohatsu art 3KY-77101-0, tid 3R0-77101-0 och 3R0-77101-1
Fri frakt över 2000kr
30 dagars öppet köp
Snabba leveranser
