Pinbult Mercury
Lägg till en bevakning så meddelar vi dig så snart varan är i lager igen.
Pinbult Mercury
Pinbult Mercury 40 - 50 hk, 697 cc, 2-takt t.o.m nr 0N056164, dvs äldre modellen
Sitter i rorkultsfäste, 2 st åtgår per motor
samt i 9,9 - 18 hk, 247 cc, 2-takt
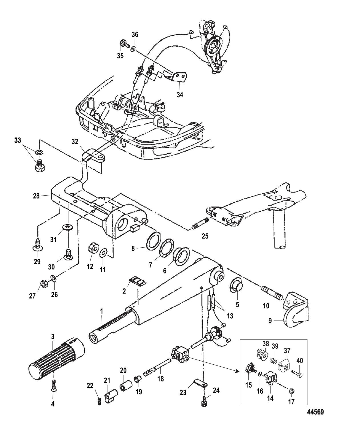
Nr 25 i bild 2
Ers art 811654002 och 8537181
Samma som Tohatsu art 9152E3-0845 Tohatsu M 40 D - M 50 D, ej D2 och M 9,8 - M 18.
Se sprängskiss för rätt del
M 8 x 45
Fri frakt över 2000kr
30 dagars öppet köp
Snabba leveranser
