Packning avgaskylplatta Suzuki
Lägg till en bevakning så meddelar vi dig så snart varan är i lager igen.
Packning avgaskylplatta Suzuki
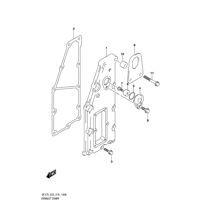
Packning avgaskylplatta Suzuki DF 150 - DF 200 hk, 4-takt flera modeller
Se sprängskiss för rätt del
Nr 2 i bild
Fri frakt över 2000kr
30 dagars öppet köp
Snabba leveranser
