Packning Mercury
Lägg till en bevakning så meddelar vi dig så snart varan är i lager igen.
Packning Mercury
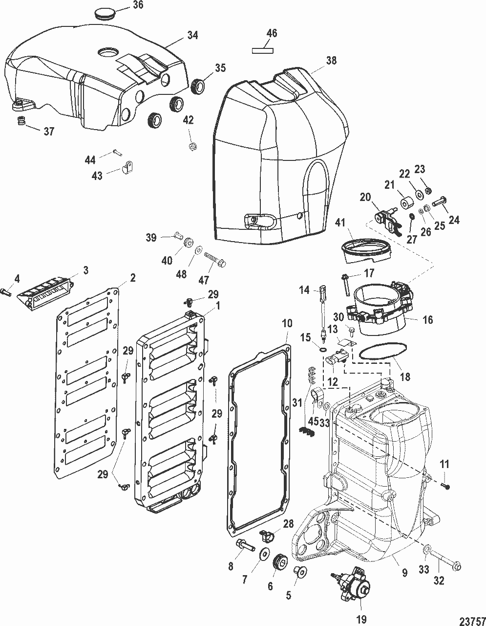
Packning insug Mercury Optimax/DFI V 6 flera modeller samt V 6, 2-takt flera modeller
Se sprängskiss för rätt del
Nr 10 i bild 2
Ers art 804679, 8046791, 8046792, 8046793
Fri frakt över 2000kr
30 dagars öppet köp
Snabba leveranser
