Packning Mercury
Lägg till en bevakning så meddelar vi dig så snart varan är i lager igen.
Packning Mercury
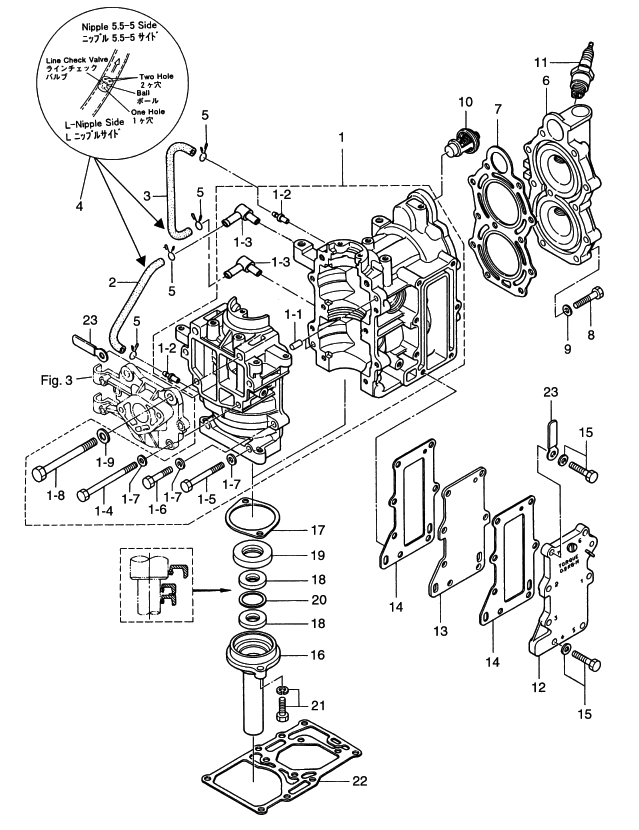
Packning crankcase head Mercury 6 - 9,8 hk, 169 cc, 2-takt, Tohatsumodell
Nr 17 i bild 2
Ersätter Mercury art 8036639 och 803663033
Samma som Tohatsu art 3B2-01214-2
Fri frakt över 2000kr
30 dagars öppet köp
Snabba leveranser
