Packning Mercury
Lägg till en bevakning så meddelar vi dig så snart varan är i lager igen.
Packning Mercury
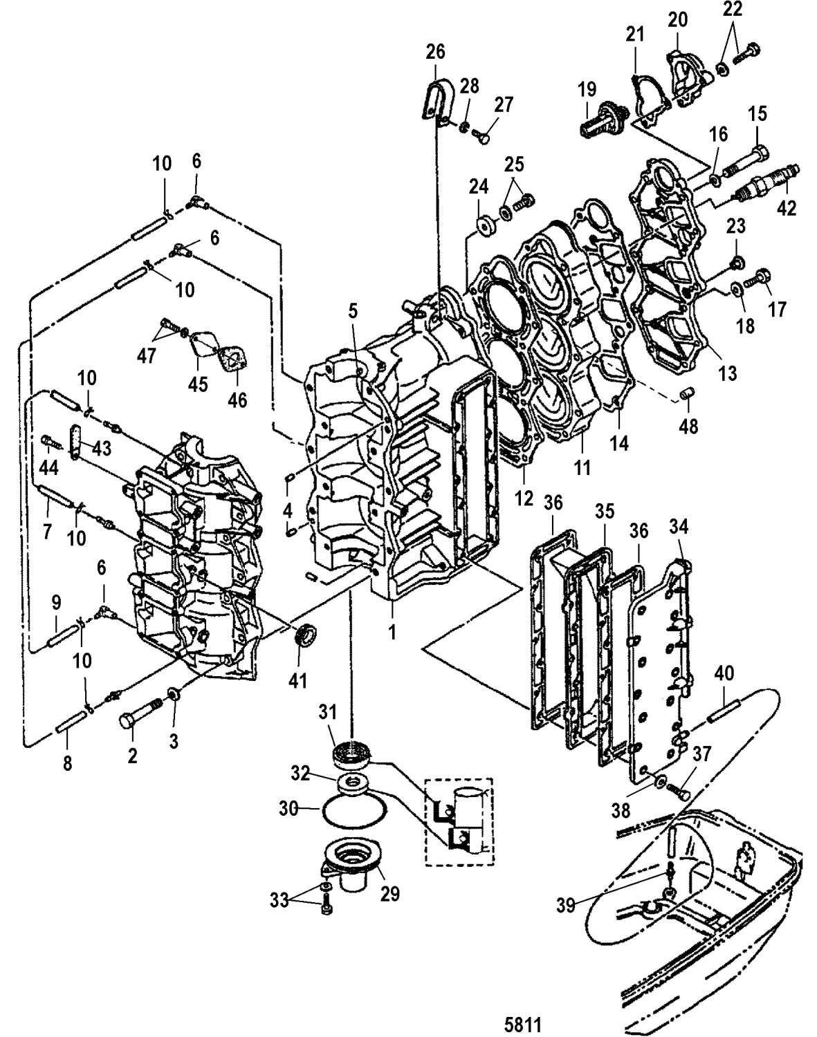
Packning blindplåt Mercury 40 - 50 hk, 2-takt 697 cc Tohatsumodell
Om oljeinsprutningen är pluggad, för premix
Nr 46 i bild 2
Ersätter Mercury art 8555692
Samma som Tohatsu art 3C8-09082-2
Fri frakt över 2000kr
30 dagars öppet köp
Snabba leveranser
